VH3V二位三通高壓球閥
VH3V二位三通高壓球閥適用于液壓系統和化工系統的各種管路上做為啟閉用。開關迅速、方便,流體阻力小,是所有閥類中流體阻力最小的一種只要閥桿轉動90°,球閥就完成了全開或全關動作,很容易實現快速啟閉。閥桿密封可靠。球閥啟閉時閥桿只作旋轉運動,因此閥桿的填料密封不易被破壞,而且閥桿倒密封的密封力隨著介質壓力的增加而增大。適用介質:液壓油、水一乙二醇、其它混合液體。
|
產品名稱: |
VH3V二位三通高壓球閥 |
產品型號: |
VH3V |
|
公稱通徑: |
DN6~DN50 |
結構形式: |
球形 |
|
公稱壓力: |
1.6Mpa~31.5Mpa |
連接方式: |
內螺紋、外螺紋 |
|
適用溫度: |
-20~+100℃~+170℃ |
驅動方式: |
手動 |
|
閥體材質: |
鑄鋼、不銹鋼 |
制造標準: |
國標GB、德國DIN、美國API、ANSI |
|
適用介質: |
水、油、氣 |
生產廠家: |
上海凱利科閥門有限公司 |
產品說明
VH3V二位三通高壓球閥適用于液壓系統和化工系統的各種管路上做為啟閉用。開關迅速、方便,流體阻力小,是所有閥類中流體阻力最小的一種只要閥桿轉動90°,球閥就完成了全開或全關動作,很容易實現快速啟閉。閥桿密封可靠。球閥啟閉時閥桿只作旋轉運動,因此閥桿的填料密封不易被破壞,而且閥桿倒密封的密封力隨著介質壓力的增加而增大。適用介質:液壓油、水一乙二醇、其它混合液體。
產品特點
VH3V二位三通高壓球閥是我公司引進德國先進技術工藝,主要用于液壓管路中控制油液的流通和截止,本型球閥具有流阻損失小,密封性能可靠,操作方便,外觀精美等特點。
圖形符號
型號說明

① 系列代號:VH3V系列
② 連接代號:M** 、G** 、 **LR 、**SR、PT**、NPT**
③ 閥體材料:1-鋼、2-不銹鋼
④ 球體材料:1-鋼、2-黃銅、3-不銹鋼
⑤ 工作溫度:1、-25~+100℃ 2、-30~+170℃
⑥ 其他密封:2-丁晴橡膠、4-氟橡膠
⑦ 手柄形式:01-鋁質直柄02-鋁質曲柄03-鑄鋅直柄04-鑄鋅曲柄05-鋼質直柄06-鋼質曲柄09-不帶手柄
⑧ 設計序號:由生產商定
⑨ 表面處理:空白-磷化、G-電鍍黃鋅
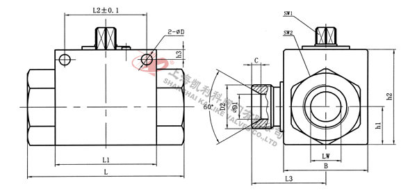
外形結構圖
M連接口略圖
M連接口外形尺寸
|
簡略型號 |
PN |
DN |
LW |
RA |
d1 |
i |
L |
L1 |
B |
L2 |
h1 |
h2 |
SW1 |
SW2 |
D |
h3 |
L3 |
D1 |
C |
|
VH3V-M16×1.5 |
500 |
06 |
06 |
11 |
M16×1.5 |
11 |
69 |
40 |
26 |
31.5 |
13.5 |
35 |
09 |
22 |
4.5 |
4.8 |
26 |
6 |
4 |
|
VH3V-M27×1.5 |
500 |
10 |
10 |
20 |
M27×1.5 |
12 |
76 |
42 |
32 |
31.5 |
16 |
40 |
09 |
27 |
5.3 |
5.8 |
31 |
8 |
4 |
|
VH3V-M36×2 |
400 |
20 |
20 |
30 |
M36×2 |
15 |
103 |
60 |
48 |
48.5 |
25 |
58 |
12 |
41 |
6.5 |
6 |
44 |
15 |
5.5 |
|
VH3V-M42×2 |
350 |
25 |
23 |
35 |
M42×2 |
18 |
116 |
65 |
57 |
50.5 |
28.5 |
65 |
12 |
50 |
8.5 |
7 |
53.5 |
22 |
5 |
G連接口略圖
G連接口外形尺寸
|
簡略型號 |
PN |
DN |
LW |
RA |
d1 |
i |
L |
L1 |
B |
L2 |
h1 |
h2 |
SW1 |
SW2 |
D |
h3 |
L3 |
D1 |
C |
|
VH3V-G1/4 |
500 |
06 |
06 |
/ |
G1/4 |
14 |
69 |
40 |
26 |
31.5 |
13.5 |
35 |
09 |
22 |
4.5 |
4.8 |
26 |
6 |
4 |
|
VH3V-G3/8 |
500 |
10 |
10 |
/ |
G3/8 |
14 |
72 |
42 |
32 |
31.5 |
16 |
40 |
09 |
27 |
5.3 |
5.8 |
31 |
8 |
4 |
|
VH3V-G1/2 |
500 |
13 |
12 |
/ |
G1/2 |
16 |
83 |
48 |
35 |
38.5 |
18 |
45 |
09 |
30 |
6.5 |
6 |
35 |
12 |
3 |
|
VH3V-G3/4 |
400 |
20 |
20 |
/ |
G3/4 |
18 |
93 |
60 |
50 |
48.5 |
23 |
58 |
12 |
41 |
6.5 |
6 |
44 |
15 |
5.5 |
|
VH3V-G1 |
350 |
25 |
25 |
/ |
G1 |
21 |
115 |
65 |
57 |
50.5 |
27.5 |
65 |
12 |
46 |
8.5 |
7 |
53.5 |
22 |
5 |
NPT連接口略圖
NPT連接口外形尺寸
|
簡略型號 |
PN |
DN |
LW |
RA |
d1 |
i |
L |
L1 |
B |
L2 |
h1 |
h2 |
SW1 |
SW2 |
D |
h3 |
L3 |
D1 |
C |
|
VH3V-NPT1/4 |
500 |
06 |
06 |
/ |
NPT1/4 |
14 |
69 |
40 |
26 |
31.5 |
13.5 |
35 |
09 |
22 |
4.5 |
4.8 |
26 |
6 |
4 |
|
VH3V-NPT3/8 |
500 |
10 |
10 |
/ |
NPT3/8 |
14 |
72 |
42 |
32 |
31.5 |
16 |
40 |
09 |
27 |
5.3 |
5.8 |
31 |
8 |
4 |
|
VH3V-NPT1/2 |
500 |
13 |
12 |
/ |
NPT1/2 |
16 |
83 |
48 |
35 |
38.5 |
18 |
45 |
09 |
30 |
6.5 |
6 |
35 |
12 |
3 |
|
VH3V-NPT3/4 |
400 |
20 |
20 |
/ |
NPT3/4 |
18 |
95 |
60 |
50 |
48.5 |
23 |
58 |
12 |
41 |
6.5 |
6 |
44 |
15 |
5.5 |
|
VH3V-NPT1 |
350 |
25 |
25 |
/ |
NPT1 |
21 |
113 |
65 |
57 |
50.5 |
27.5 |
65 |
12 |
46 |
8.5 |
7 |
53.5 |
22 |
5 |
LR連接口略圖
LR連接口外形尺寸
|
簡略型號 |
PN |
DN |
LW |
RA |
d1 |
i |
L |
L1 |
B |
L2 |
h1 |
h2 |
SW1 |
SW2 |
D |
h3 |
L3 |
D1 |
C |
|
VH3V-08LR |
500 |
06 |
06 |
08 |
M14×1.5 |
10 |
67 |
40 |
26 |
31.5 |
13.5 |
35 |
09 |
22 |
4.5 |
4.8 |
26 |
6 |
4 |
|
VH3V-12LR |
500 |
10 |
10 |
12 |
M18×1.5 |
11 |
74 |
42 |
32 |
31.5 |
16 |
40 |
09 |
27 |
5.3 |
5.8 |
31 |
8 |
4 |
|
VH3V-15LR |
500 |
13 |
12 |
15 |
M22×1.5 |
12 |
82 |
48 |
35 |
38.5 |
18 |
45 |
09 |
30 |
6.5 |
6 |
35 |
12 |
3 |
|
VH3V-18LR |
500 |
13 |
12 |
18 |
M26×1.5 |
12 |
82 |
48 |
35 |
38.5 |
18 |
45 |
12 |
30 |
6.5 |
6 |
35 |
12 |
3 |
|
VH3V-22LR |
400 |
20 |
19 |
22 |
M30×2 |
14 |
101 |
60 |
50 |
48.5 |
23 |
58 |
12 |
41 |
6.5 |
6 |
44 |
15 |
5.5 |
|
VH3V-28LR |
350 |
25 |
24 |
28 |
M36×2 |
14 |
108 |
65 |
57 |
50.5 |
27.5 |
65 |
12 |
46 |
8.5 |
7 |
53.5 |
22 |
5 |
SR連接口略圖
SR連接口外形尺寸
|
簡略型號 |
PN |
DN |
LW |
RA |
d1 |
i |
L |
L1 |
B |
L2 |
h1 |
h2 |
SW1 |
SW2 |
D |
h3 |
L3 |
D1 |
C |
|
VH3V-10SR |
500 |
06 |
06 |
10 |
M18×1.5 |
12 |
73 |
40 |
26 |
31.5 |
13.5 |
35 |
09 |
22 |
4.5 |
4.8 |
26 |
6 |
4 |
|
VH3V-14SR |
500 |
10 |
10 |
14 |
M22×1.5 |
14 |
80 |
42 |
32 |
31.5 |
16 |
40 |
09 |
27 |
5.3 |
5.8 |
31 |
8 |
4 |
|
VH3V-16SR |
500 |
13 |
12 |
16 |
M24×1.5 |
14 |
86 |
48 |
35 |
38.5 |
18 |
45 |
09 |
30 |
6.5 |
6 |
35 |
12 |
3 |
|
VH3V-20SR |
500 |
13 |
12 |
20 |
M30×2 |
16 |
90 |
48 |
35 |
38.5 |
18 |
45 |
09 |
30 |
6.5 |
6 |
35 |
12 |
3 |
|
VH3V-25SR |
400 |
20 |
20 |
25 |
M36×2 |
18 |
109 |
60 |
50 |
48.5 |
23 |
58 |
12 |
41 |
6.5 |
6 |
44 |
15 |
5.5 |
|
VH3V-30SR |
350 |
25 |
25 |
30 |
M42×2 |
20 |
120 |
65 |
57 |
50.5 |
27.5 |
65 |
12 |
46 |
8.5 |
7 |
53.5 |
22 |
5 |
聲明:【VH3V二位三通高壓球閥】規格型號、結構尺寸由上海凱利科閥門有限公司提供,如何選擇適用的VH3V二位三通高壓球閥產品,使之在工藝控制中安全可靠、經濟適用,可致電我司銷售部門及技術部門,我們將在最短的時間內為您解答! |